窯爐專用減速機
作者:蒙特卡 日期:2018-12-24 來源: 關注:
窯爐專用減速機
隨著市場經濟的發展,人們對生活品質要求也不斷的提高,選購產品都是喜歡針對性專用配套的產品,這也意味著這種產品是針對客戶的使用體驗、要求、和環境都要符合一致,并且在性能和價錢、品質及外觀上給客戶提高優質的服務。
我司(佛山市蒙特卡傳動機械有限公司)針對窯爐客戶專門設計開發出一款減速機-窯爐減速機,此款減速機是我司技術師傅根據窯爐客戶使用的環境及對國內相關技術分析研究開發出的。本款窯爐專用減速機不僅在結構上擁有獨特的設計理念,同事在外觀上也是精益求精,每個細節方面都體現出“蒙特卡”對產品和對待客戶認真負責認的態度。下面我為大家詳細介紹下這款窯爐減速機的性能特點:
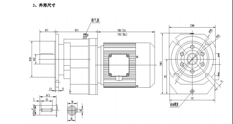
1、技術參數
電機功率:0.55, 0.75, 1.1, 1.5 Kw / 1400 rpm
速 比:i = 10 ~ 130(見配置參數表)
額定承載扭矩:T2 = 450 Nm
傳動效率:≥92%
加注長壽命全合成潤滑脂,免維護。




我司“佛山市蒙特卡傳動機械有限公司”是一家專業從事道閘電機、伸縮開門電機、電機、減變速機的研發,制造,銷售和服務為一體的技術企業。歡迎各行各業有意向的客戶和我們直接聯系
聯系電話:13923130816 冼經理
座機電話:0757-82102848